江门市大泽镇深江产业园大泽园区万洋众创城5号楼
东莞市虎门镇宁江路25号
免费电话:400-6263-698 业务咨询:18518765758(微信同号) QQ客服:1102292886 邮箱:kaikai@dosin.cn 官网:https://www.dosin.cn/ 主营:Fakra、HSD、HSF、HSL、Mini Fakra、LVDS、汽车摄像头、汽车导航等车载连接器产品,同时提供压铸模具、车载线束加工等服务。
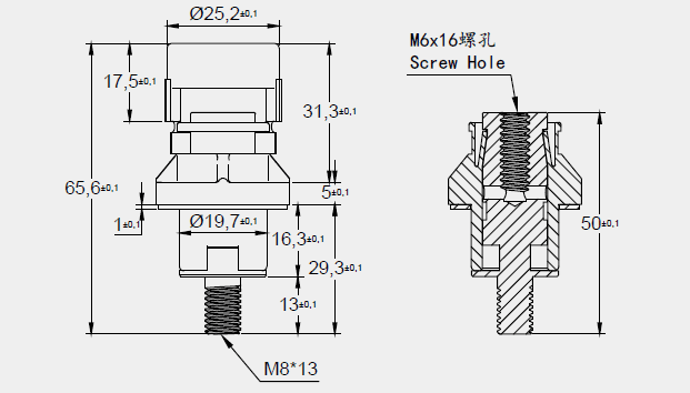
料号: DS-FM6-EB-SOM8-200A-C 标签:储能锂电池接线柱,250A,穿墙端子,螺纹接线端子 其他: 提供尺寸、材质调整服务(定制打样)
产品特点:
ISO认证厂家,产品品质达到ROHS、UL、REACH标准;
厂家直销批发价格,免费提供样品测试;产品可根据材质和性能要求定制;
外壳为卡扣式连接,无裂缝;
安装方式多样化,可实现旋转180度的安装,使其更牢固;
连接可靠方便,接线安全性高,抗腐蚀性极强;
绝缘外壳牢固耐用,阻燃等级高,防手指触摸;